普宁市人民政府门户网站
网站无障碍
|
适老版
普宁市人民政府
普宁市人民政府
People's Government of Puning City
网站首页
政务公开
政务服务
互动交流
走进普宁
部门频道
首页
>
政府信息公开目录
>
揭阳市普宁市流沙西街道办事处
>
工作动态
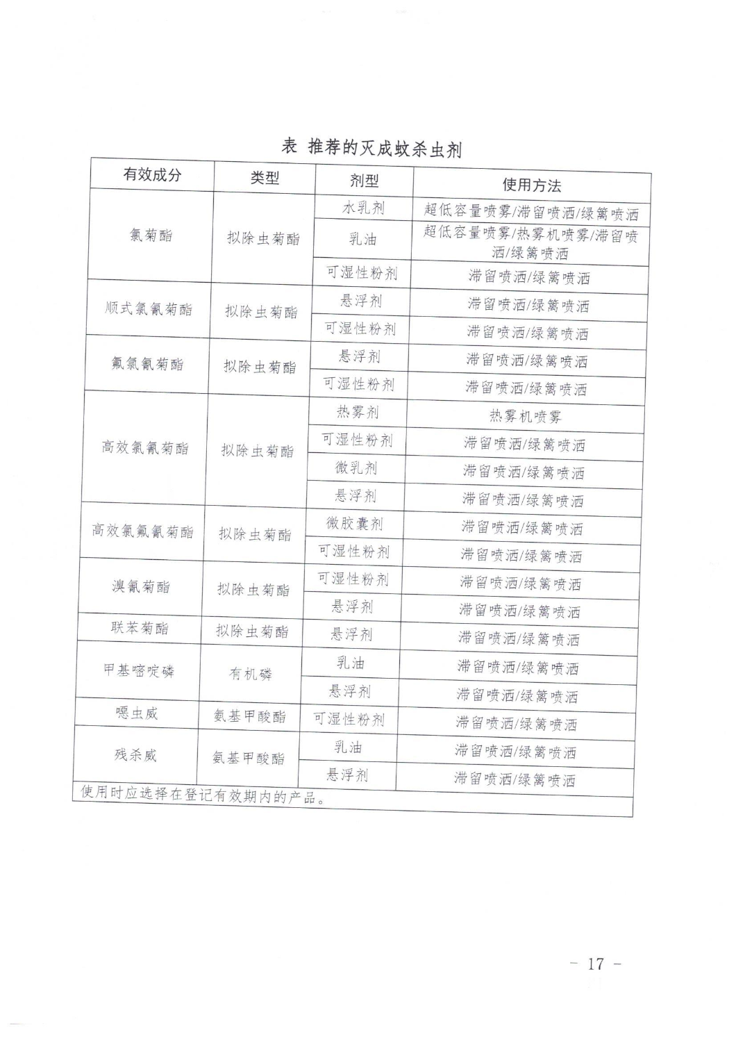
普宁市爱卫会关于深入开展爱国卫生运动有效预防登革热等蚊媒传染病的通知
来源:本网
发布时间:2025-09-15 15:40
浏览次数:
-
【字体:
大
中
小
】
分享到:
相关附件: